S7-200 SMART PLC网络通讯介绍分享
2023-05-25 科威
精处理再生系统树脂混合后出水电导偏高知识分享
2023-05-24 科威
锅炉水冷壁吹损,爆管停炉案例分享
电厂机组抗燃油油质异常案例分享
2 号发电机中性点 CT 匝间短路案例分享
2023-05-23 科威
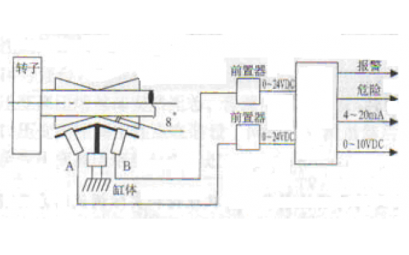
汽轮机 6、7瓦轴颈损伤案例分享
机组并网后励磁装置灭磁柜电阻元件烧损案例分享
汽轮机胀差、轴位如何定零位?
2023-05-22 科威